Açık ve kapalı tip dişli hava pençesi
Açık ve kapalı tip dişli hava pençesi Ürün Avantajları
1, pratik, geniş kullanım yelpazesi: çeşitli otomasyon, tıbbi teknoloji, makine imalat endüstrileri için uygundur
2, ithalat mührü dayanıklıdır: alt bir kez işlenir, sızdırmazlık daha iyidir, ithalat mühür halkası, servis ömrü uzatılır
3, sert silindir, oksijenle sertleştirme: dayanıklı, hafif çizikler iz bırakmaz
4, ince üretim, entegre yapı: ince üretim, basınç ve korozyon direnci, işleme merkezi kalıplama, daha uygun kurulum
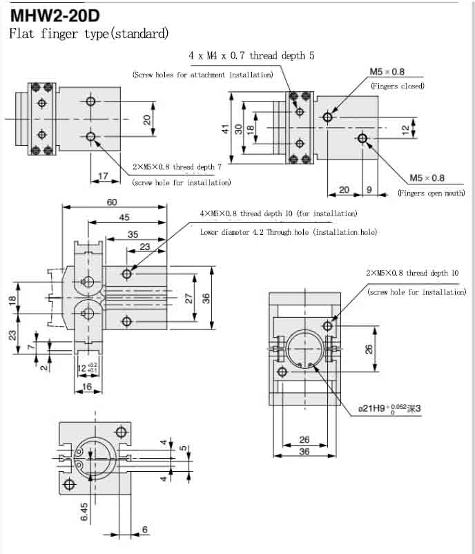
Açık ve kapalı tip dişli hava tırnağı Ürün detayları
Paralel açılan ve kapanan hava tırnağı, silindir bloğunun bir ucunda silindir bloğuna göre difüzyon ve polimerizasyon hareketi için bir silindir bloğu ve bir pençe bloğu içerir; özelliği: Paralel açılan ve kapanan hava tırnağı, bir ucu bir piston içeren, Pistonun içbükey tablasının içbükey bir kısmı ile donatılmıştır, içbükey kısmın alt kısmı bir birinci halka tampon yastığı ile donatılmıştır, silindir gövdesinin üst ucu içbükey masa şeklindeki dışbükey kısmın içbükey kısmı ile donatılmıştır.
Açık ve kapalı tip dişli hava tırnağı Dış özellikler
Modeli |
silindir çapı |
Not 1) Sıkıştırma torku (etkin değer) N·m |
Açma ve Kapama Açısı (her iki taraf) |
Not 2) Kalite G |
|
· yandan itme kesmesi |
· IL (Parmaklar bitecek) |
||||
MHW2-20D |
20 |
0.30 |
180 |
-5° |
300 |
MHW2-20D1 |
320 |
||||
MHW2-25D |
25 |
0,73 |
-6° |
510 |
|
MHW2-25D1 |
540 |
||||
MHW2-32D |
32 |
1.61 |
-5° |
910 |
|
MHW2-32D1 |
950 |
||||
MHW2-40D |
40 |
3.70 |
-5° |
2140 |
|
MHW2-40D1 |
2270 |
||||
MHW2-50D |
50 |
8.27 |
-4° |
5100 |
|
MHW2-50D1 |
5350 |
||||



